汽车零部件机器人焊装夹具气路设计过程可分为夹具设计、气路图设计、气路安装施工3个阶段,本文将针对此3个阶段顺序给出气路图设计的一般方法,并根据实际应用中的一些共性问题,针对气路运用中的实际问题给出解决方案和优化建议。
一、机器人焊装夹具气路的组成结构
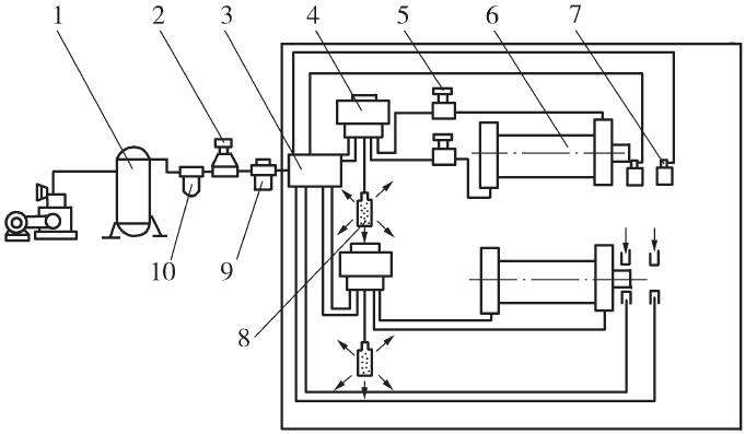
汽车零部件机器人焊装系统的基本气路结构如图1所示。包括能源装置、执行装置、控制调节装置、辅助装置、传动介质等部分。
图1 汽车零部件焊装夹具气路系统基本组成
二、机器人焊装夹具气路设计
2.1 夹具设计阶段
夹具设计阶段是设计气路的第一阶段。夹具设计初期应根据夹具情况预先选择管线材料。并且气管管径过小会节流,因此限制气缸的速度;而管径过大会造成滞流,因此增加空气消耗量和填充时间。

图2 焊接系统示意
夹具设计阶段在考虑夹具机械结构设计的同时,应为气路设计预留出走线孔,规划线槽,考虑电磁阀集装板及控制模块安装空间,及是否超过变位机各回转半径。
2.2 气路设计阶段
气路设计的原则是让气路中的执行装置定位夹紧可靠,按照一定的顺序松开、夹紧并确保安全。
图3 机器人焊装夹具气路图夹具参数部分
(1)确定气路初始每一个气缸的伸出缩回状态。
(2)根据各种不同的控制目的及控制功能的要求,设计气动回路。
(3)确定回路组数。设计时可将动作互不干扰的动作合并到同一个方向控制阀来控制,但需要根据压紧力、气缸动作速度等情况计算每组回路最多控制的气缸数量。
图4 机器人焊装夹具气路图气动原理部分
(4)确定控制阀形式。在设计计算出控制阀数量后一般预留两个空位,以便后期增加气缸还能继续使用。
(5)编号并设计制作标牌。按照回路的动作顺序,先对回路进行排序,然后排出每一组回路中的气缸的先后动作顺序,定义控制阀。
(6)绘制气路图。
2.3 气路安装施工阶段
汽车焊装夹具组装完毕后开始气路的安装施工,气路的安装施工顺序为:三联件、控制阀、气缸标牌、主气管、各回路、信号线、主进气管。

图5 夹具主气管及线缆安装示意
三、汽车排气系统机器人焊装夹具气路的特点
(1)夹具安装在变位机上,需要考虑主线的出线位置。气管及线缆从旋转轴电机的对侧安装,如图5所示。
图6 一种带快换单元的汽车排气系统焊装夹具
(2)气路设计时应考虑控制阀的安装位置。排气系统焊装夹具焊接时一般要求夹具可以绕回转轴做360°回转运动,因此必须考虑安装阀的机箱或者阀岛是否会超出变位机的回转半径。
图7 夹具气管快换航插
(3)考虑快换功能。由于排气系统通常长度较长,为了满足柔性化生产的需要,汽车厂一般需要将排气夹具分隔成若干个单元,单独换型,因此设计排气系统夹具气路时必须考虑快换功能,如图6所示。夹具在快换单元设置了气管的快换航插,如图7所示,可以实现气路的快速更换。
四、焊装夹具气路设计优化建议
4.1 考虑管线分布与机器人轨迹的空间关系
机器人焊枪与从夹具底梁下方通过,如图8所示,如果管线分布不合理将会影响焊接。
图8 管线分布与机器人焊枪位置示意
优化建议:在夹具设计阶段对夹具和机器人进行运动协调仿真,在不影响焊接的情况下,尽量合理分布气动元件及管线,当采用硬管如铜管时应在气路上标明管线的走向,避让焊枪。
4.2 合理运用气路,简化夹具结构
汽车排气系统焊装夹具通常会遇到启动元件防掉落的问题,如图9所示,气缸手动伸出,螺母安装到位后,应保持安装位置,不能因为气缸自重落下。通常的解决方案是在气缸行程方向增加一个小型气缸对其进行穿销锁止。

图9 需要防掉落的定位组件示意
优化方案:防掉落回路如图10所示,原理是通过增加一个溢流阀,在重物升起时单向锁定,落下时气动解锁,气缸退回。通过调整气路简化气路结构,降低设计制造成本。

图10 气控先导单向阀防掉落回路
4.3 合理安排走线
考虑增加走线槽。未增加线槽的夹具如图11所示,管线凌乱。

图11 气管未按线槽布线的夹具
优化方案:增加走线槽的夹具如图12所示,更加整齐美观。

图12 气管按线槽布线的夹具
4.4 考虑采用阀岛
阀岛是由多个电控阀构成的控制元器件,它集成信号输入、输出及信号的控制,是新一代气电一体化控制元器件。由于其高度集成及高防护等级的特性,接线方式简单,占用空间小,正逐步应用于汽车焊装夹具领域中。

图13 电磁阀汇流排式安装
汇流排式安装如图13所示,需要2个机箱安装电磁阀和电气模块组件,管线多且占用空间大。阀岛安装型夹具如图14所示,其布线简单,占用空间小。
图14 电磁阀阀岛式安装
4.5 考虑使用温度
在实际应用中会遇见气缸密封件软化或脆裂的情况。这种情况需要考虑气动元件的使用温度,一般推荐在0~60 ℃环境下使用,超过此温度应选择相应的耐超低温气缸或耐超高温气缸。
-------End-------
长按二维码关注公众号,了解更多行业资讯
东莞市润马智能科技有限公司
公司地址:东莞市横沥镇裕宁工业区
电话:0769-82181987
传真:0769-82181957
企业邮箱:runmazhineng@163.com
企业网址:www.runmazn.cn